- 海博华双法兰扭矩传感器HCNJ-101D
详细信息
品牌:海博华 型号:HCNJ-101D 加工定制:是 Z轴量程:0±50N.m 产品介绍:
HCNJ-101D端面双法兰扭矩传感器是在应变桥专有技术基础上研制开发的,专门用于测量扭矩、转速参数的传感器。本系列轴向安装扭矩传感器是我公司针对搅拌行业或其它特殊需要垂直安装或不方便底座固定的场合设计的,可以做成轴向端面单法兰或双法兰,可以是圆形法兰,也可以做成方形法兰,可定制法兰尺寸。
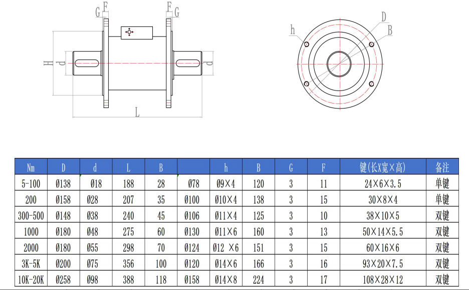
安装尺寸: 注:其他量程均可做成此结构,如果需要图纸请跟销售人员索取!
产品特点:1、HCNJ-101D扭矩传感器既可以测量静止扭矩,也可以测量旋转扭矩,给用户带来方便。
2、检测精度高、稳定性好、抗干扰性强;
3、体积小、重量轻、易于安装;
4、不需反复调零即可连续测量正反转扭矩;
5、没有集流环等磨损件,可以高转速长时间运行;
6、应变弹性体强度大,可承受150%载荷;
7、抗干扰性强,可任意位置,任意方向安装;
8、传感器部分可脱离二次仪表独立使用,直接与测量板卡、PLC或DCS组成扭矩测量装置
如上图所示,应变桥供电由设在传感器上的一组环形变压器,提供感应电压,经整流、稳压转换成高稳定性的直流电压。该电压既供给应变桥作为桥压,也供给其内部电路作为工作电压。应变桥检测的mV级扭矩信号被放大V级强信号,在经过V/F转换器变成正比的方波信号,并发射到外部的信号接受器上,在通过解调还原成与V/F转换出的方波同频率的数字信号,其相位差不大于1微妙,可以忽略不计。
扭矩工作原理:

转速工作原理: 码盘与旋转体集成一体,进行旋转。光电开关通过光电效应,做门电路处理,输出一个高低电平脉冲信号。脉冲信号比例于转速。实现了物理量转速到电信号的转化。
技术参数: 接线定义: 注:非标产品或特殊要求的请按出厂的检测报告标定的接线定义为准!
产品搭配:1、可直接将扭矩频率信号传送给计算机或PLC进行处理。
2、可以配HN-201扭矩功率仪直接显示扭矩、转速、功率值,扭矩和转速两路变送4-20mA信号,带RS485通讯功能。
3、可以配XSY扭矩控制仪直接显示扭矩值,带上、下限两点报警,开关量信号(4-20mA/RS485可选)。
4、可配套F/I或F/V信号转换模块,可以将扭矩传感器原始的频率信号转换为标准的4-20mA电流或0-5V/0-10V/电压或RS485通讯等常用信号。
5、可选配我公司的M400数据采集软件,在电脑上采集数据,查看曲线,生成报表,存储、打印、回放等。
-


















