-
详细信息
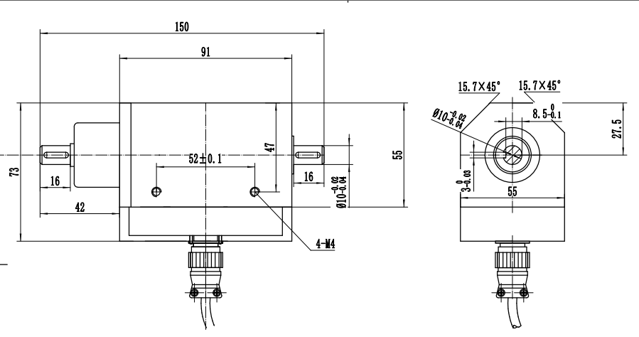
产品介绍:HCNJ-104W超小微量程扭矩传感器是在HCNJ-103和HCNJ-104两款扭矩传感器的基础上做的结合款,既可测量0-3Nm扭矩之间的测量,同时尺寸上又比HCNJ-103款尺寸短。这款没有安装底座,可以直接在壳体上开孔固定。安装方式同HCNJ-104。 产品特点:1、既可以测量静止扭矩,也可以测量旋转扭矩;
2、检测精度高、稳定性好、抗干扰性强;
3、体积小、重量轻、易于安装;
4、不需反复调零即可连续测量正反转扭矩;
5、没有集流环等磨损件,可以高转速长时间运行;
6、应变弹性体强度大,可承受120%载荷;
7、抗干扰性强,可任意位置,任意方向安装;
8、传感器部分可脱离二次仪表独立使用,直接与测量板卡、PLC或DCS组成扭矩测量装置。
扭矩工作原理: 如上图所示,应变桥供电由设在传感器上的一组环形变压器,提供感应电压,经整流、稳压转换成高稳定性的直流电压。该电压既供给应变桥作为桥压,也供给其内部电路作为工作电压。应变桥检测的mV级扭矩信号被放大V级强信号,在经过V/F转换器变成正比的方波信号,并发射到外部的信号接受器上,在通过解调还原成与V/F转换出的方波同频率的数字信号,其相位差不大于1微秒,可以忽略不计。
转速工作原理: 码盘与旋转体集成一体,进行旋转。光电开关通过光电效应,做门电路处理,输出一个高低电平脉冲信号。脉冲信号比例于转速。实现了物理量转速到电信号的转化。
技术参数: 产品实拍: -







